Муфта соединительная AVK SUPER HYDRO, универсальная, из углеродистой стали, серия 8004 PN10 Диапазон 1990-2030
Арт. 8004-01-340-001100000
Характеристики
Серия
—
8004/01
Вид
—
Муфта соединительная
Тип
—
Универсальная
DN
—
2040
Давление, PN
—
10
Материал
—
Сталь
Цена действительна только для сайта и может отличаться от указанной в прайс-листе
Муфта соединительная AVK SUPER HYDRO, универсальная, из углеродистой стали, серия 8004 PN10 Диапазон 1990-2030
Арт. 8004-01-340-001100000
Характеристики
|
Серия
|
8004/01 |
|
Вид
|
Муфта соединительная |
|
Тип
|
Универсальная |
|
DN
|
2040 |
|
Давление, PN
|
10 |
|
Материал
|
Сталь |
|
Инженерная система
|
Водоснабжение, сточные воды |
|
Среда
|
Для воды, нейтральных жидкостей и сточных вод |
|
Температура окружающей среды, ˚С
|
от -5°C до +60°C |
|
Уплотнение
|
EPDM |
Для воды и нейтральных жидкостей от -5°C до +60°C
Super Hydro - это линейка универсальных муфт и фланцевых адаптеров предназначенных для соединения труб из различных материалов. Муфты Super Hydro имеют допуск до 40 мм по наружнему диаметру труб, а все материалы, из которых изгтавливаются муфты сертифицированы WRAS. Муфты изготавливаются из углеродистой стали, а под заказ из нержавеющей стали. Возможно изготовление муфт для рабочего давления PN40 включительно, а также под конкретные требования заказчика.
Преимущества
- Допуск по наружному диаметру труб составляет 30 мм до DN450 включительно и 40 мм для DN500 и выше;
- Муфты изготавливаются из углеродистой стали с покрытием PLASCOAT PPA 571 ES в соответствии с требованиями WRAS, цвет синий – RAL 5017 (Traffic Blue 536);
- Резиновые уплотнения из EPDM, сертификат WRAS;
- Крепеж из оцинкованной и пассивированной стали 8.8;
- Опционально для давления PN40 и с корпусом из нержавеющей стали;
- Возможно изготовление под требования заказчика.
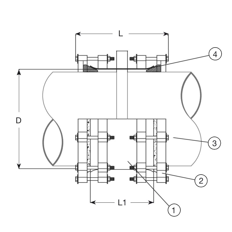
Комплектующие


| 1. | Корпус |
сталь S235JR |
| 2. | Кольцо сальника |
сталь S235JR |
| 3. | Болт, гайка, шайба | cталь класса прочности 8.8, оцинкованная пассивированная |
| 4. | Прокладка |
резина EPDM |
Разрешения
- Hydraulic test according to 1.5 x PN
- Седло: 1,1 x PN (бар), корпус: 1,5 x PN (бар). Проверка рабочего крутящего момента.
- Belgaqua approved
- Материалы соответствуют требованиям WRAS
Чтобы купить муфту соединительную AVK SUPER HYDRO, PN16, из углеродистой стали, серия 8004 - оставьте заявку на сайте. Наш менеджер свяжется с вами для уточнения деталей заказа и рассчитает стоимость доставки.

